Новости

Практическое применение технологии намывной фильтрации при очистке цветных слабомутных вод реки Перетна Новгородской области

Практическое применение технологии намывной фильтрации при очистке цветных слабомутных вод реки Перетна Новгородской области


Авторы:


Миталев В.И. главный технолог ООО «Аквалид»


Славин Л.М. генеральный директор ООО «Аквалид»


Славина С.А. исполнительный директор ООО «Аквалид»


Стопкевич-Павлова О.В. коммерческий директор ООО «Аквалид»


Очистка вод поверхностных водоисточников северных и северо-восточных регионов России в настоящее время сталкивается с технологическими проблемами водоподготовки, связанными с химическим составом поверхностных вод этих регионов. Поверхностные водоисточники достаточно заселенных Ленинградской, Петрозаводской областей, Карелии, севера Новгородской области характеризуются, в основном, высокой цветностью и перманганатной окисляемостью воды при низких значениях мутности и среднегодовой температуры.

Процесс подготовки питьевой воды этих регионов для организации централизованного питьевого водоснабжения требует применения сложных и многоступенчатых технологий водоподготовки.

В таких условиях особенно актуален поиск новых технологий, технологических схем, которые при стремлении к компактности, снижению затрат по содержанию и энергоэффективности были бы способны осуществлять очистку исходной воды до показателей, требуемых СанПиН по питьевой воде централизованного питьевого водоснабжения.

В 2025 году в рамках выполнения Федеральных программ в Окуловском районе Новгородской области проводится реконструкция сооружений водоснабжения. Для выбора оптимальной технологии водоподготовки был проведён тщательный анализ имеющихся водных ресурсов региона. В качестве источника водоснабжения в Окуловском городском поселении выступает река Перетна - одна из крупных рек района. Длина реки составляет примерно 50 километров. Указанная река принадлежит бассейну Балтийского моря, в районе посёлка Топорок Котовского сельского поселения Окуловского муниципального района слева впадает в реку Мста.

По своему качеству поверхностные воды реки Перетна характеризуются высокой цветностью, большим количеством органических веществ гумусового происхождения, низкой минерализацией, высокой бактериальной загрязненностью и относятся к загрязненным и умерено загрязненным.

Согласно десятилетней динамические показатели воды реки Перетна по мутности, цветности, пер-манганатной окисляемости, речная вода относится к классу А1 к цветным маломутным водам ЦМВ по определяющими природным ингредиентам [1] (Таблица 1).

Таблица 1

Несмотря на отнесение водопользователем - эксплуатирующей организацией качества водоисточника к поверхностным водоисточникам 2 и 3 класса (по ГОСТ 2761-84 «Источники централизованного хозяйственно-питьевого водоснабжения»), по суммарным химическим показателям воды – периодическое повышение цветности до 90-100 град. ПКШ и выше; индексу загрязнения вод 2,0 – 4,0 [4] качество водоисточника можно отнести к не рекомендованным для организации централизованного питьевого водоснабжения без применения комплексных или новых эффективных технологий очистки загрязненных вод до питьевого качества. Речная вода такого качества перед подачей населению требует тщательно подобранной технологической схемы полного комплекса очистки (фильтрация, коррекция рН воды, реагентная обработка, двухэтапное коагулирование, флокулляция, отстаивание, обеззараживание и др), которые могут быть недостаточно эффективны в водах низкой температуры при применении по отдельности [1].

По имеющейся классификации к маломутным цветным поверхностным водам относятся воды, в которых максимальные значения взвешенных веществ менее 20 мг/л; цветности 20-200 град. по платиново-кобальтовой шкале ПКШ; ПО 6-10 мгО2/л. Если мутность воды определяется содержанием в ней частиц минерального происхождения (ил, песок, глина и т.п.), то цветность воды – только веществами органического характера (гуминовыми и дубильными веществами). Как правило, органический состав такой воды формируется при участии почвенного и торфяного гумуса, болотного питания рек; разложения планктона и почвенной растительности в водохранилищах и озерах. Цветность является одним из основных физических органолептических показателей качества воды и ограничивается санитарными нормами 20 град. платиново-кобальтовой шкалы ПКШ. Высокое содержание органических веществ в воде придает ей затхлый привкус и неприятный запах [2].

В северных регионах органические вещества попадают в воду в основном из болотных почв. Цветные маломутные воды плохо подвергаются очистке до требуемого качества питьевой воды из-за содержания в воде гуминовых веществ. При этом проблема эффективной подготовки технологической воды из поверхностных источников маломутных высокоцветных вод с учетом экологических вопросов изучена недостаточно и практически не решена, особенно с учётом ежегодного изменения их параметров.

График динамики основных показателей качества воды реки Перетна по годам


Цветные и высокоцветные воды имеют сложности при подготовке воды питьевого качества. Очистка цветных и высокоцветных маломутных вод, осуществляемая по традиционным технологиям, связана с большими технологическими трудностями, обусловленными особенностями состава и фазово-дисперсного состояния загрязнений.

Вода реки Перетна содержит высокое содержание растворенного органического вещества, круглогодично придающего ей цветность 70-90 град ПКШ в зависимости от времени года. Органические вещества представлены в основном гуминовыми кислотами, их растворенная фракция не задерживается при фильтровании. На формирование водного гумуса существенное влияние оказывает заболоченность бассейна реки. Гуминовые вещества, содержащиеся в лесной подстилке, перегнойном горизонте подзолистых почв и торфах болот, интенсивно поступают в водные объекты с поверхностным стоком. Органические вещества гумусового происхождения окрашивают воду в желто-коричневые тона. Влияние на цветность воды оказывает железо, средние его величины в период половодья несколько выше, чем в период межени. Гумусовые вещества природных вод условно разделяют на три группы: гуминовые кислоты С6524(СООН)4, находящиеся обычно в водоемах в коллоидной форме; коллоидные соединения фульвокислот; истинно растворенные соединения фульвокислот [3].

Согласно критериям выбора технологии обработки цветных маломутных вод [1] водоподготовка исходной воды реки Перетна до качества питьевой предполагает следующие необходимые стадии очистки:

СтФ -> К(Ф) -> КПФ -> К(Ф) -> СкФР -> УФо -> Хл,

где:

1. СтФ- Фильтрование через сетчатые перегородки

2. К(Ф) - Обработка воды коагулянтами и флокулянтами

3. КПФ - Фильтрование через крупнозернистую среду в префильтрах

4. К(Ф) - Обработка воды коагулянтами и флокулянтами

5. СкФР - Реагентное скорое фильтрование, включая контактные, динамические осветлители (гравий, песок)

6. УФо – Ультрафиолетовое облучение

7. Хл –Хлорирование



В таком виде рекомендованная технологическая схема требует наличия больших площадей для сооружения нескольких скорых фильтров, силовых электродвигателей сетчатых фильтров, многочисленных технологических узлов приготовления и дозирования реагентов водоподготовки, нескольких реагентов коррекции рН и умягчения воды для эффективного протекания двухфазной коагуляции, больших объемов фильтровальной зернистой загрузки, блоков обеззараживания и стабилизации воды.

В рамках проекта реконструкции сооружений водоснабжения для реализации питьевого водоснабжения в целях компактности, энергоэффективности, простоты обслуживания и снижения применения реагентов компанией «Аквалид» была предложена новая технологическая схема водоподготовки, основанная на использовании намывной фильтрации на самоочищающихся фильтровальных элементах с изменяемым размером ячеи в сочетании с некоторыми традиционными технологиями водоподготовки.

В станции водоподготовки «Аквалид» ВУ-5000, производительностью 200 м3 в час питьевой воды применена следующая технологическая схема:

Хл -> ГЦ -> Хл -> УУФ -> К -> Хл -> А -> От,

где:

1.Хл - хлорирование

2.ГЦ – циклон, удаление грубодисперсных примесей (ГДП) в центробежном поле

3.Хл - хлорирование

4.УУФ – ультрафильтрация (технология ООО «Аквалид» на фильтрующих элементах с изменяющемся размером ячеи и намывным слоем фильтровального перлита)

5.К – коагулирование в микродозах

6.Хл - хлорирование

7.А - аэрация

8.От - отстаивание с удалением микроосадка коагуляции.

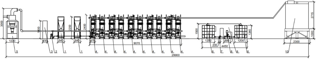
Данная компоновка технологий и технологических узлов, представленная на рисунке, позволила приблизиться к поставленным целям компактности, эффективности и экономического преимущества примененной схемы установки.

Компоновочная схема размещения оборудования станции водоподготовки

На рисунке: 1 - бункер для сухого перлита с дозатором; 2- дозирующий насос подачи суспензии; 3 - шкаф автоматики; 4 - фильтрующий аппарат по технологии ООО «Аквалид»; 5 - гидроциклон; 6 - еврокуб с мешалкой для приготовления микродоз коагулянта; 7 - перекачивающий насос; 8 - дозирующий насос подачи микродоз коагулянта, 9 - электролизер приготовления гипохлорита натрия; 10 – емкость для отстаивания воды с барботажем воздухом.

Большинство процессов водоподготовки установки «Аквалид» ВУ-5000 осуществляются в полном автоматическом режиме. Обслуживание установки требует минимум затрат ежедневного рабочего времени оператора. В ручном режиме происходит загрузка фильтровального перлита, соли, разведение коагулянта достаточного для нескольких дней работы установки, ежедневная коррекция доз хлора и коагулянта в зависимости от качества исходной речной воды.

При работе установки водоподготовки «Аквалид» ВУ-5000 исходная вода из существующего водозабора накачивается насосной станцией первого подъема под требуемым давлением поступает в гидроциклон производительностью 190-210 м3/час. Осадок грубодисперсных взвесей, образующийся в циклоне, отделяется и сливается дренажную канализацию или колодец. В Гидроциклон с помощью дозирующего насоса подается гипохлорит натрия (ГПХН) в расчетных дозах, который необходим для процессов осветления и обеззараживания. Также Гидроциклон выполняет роль перемешивания воды. В технологической схеме применена обработка воды хлорированием, в качестве хлорагента выступает свежеприготовленный раствор гипохлорита натрия, вырабатываемый обособленной электролизной установкой УЭ ГПХН 1400 С при постоянной работе установки водоподготовки «Аквалид» ВУ5000. Производительность электролизной установки производительной мощностью 1400 г активного хлора в час позволяла применять любые дозы хлорирования общего объема воды 5000 м3 в сутки.

Процесс гиперхлорирования воды в дозах 3 - 10 мг активного хлора на литр воды позволяет осуществить основные процессы окислительной минерализации органических и неорганических компонентов химического состава воды. Увеличение дозы вводимого хлорагента ограничивается появлением в подготовленной воде недопустимых требованиями СанПиН значений хлорорганических соединений. В установке водоподготовки предусмотрены три точки введения раствора ГПХН для комбинации способов осветления и обеззараживания исходной воды.

В качестве технологии удаления оставшихся от окисления осадков и процесса тонкой фильтрации частиц размером от 1 мкм применена технология намывной перлитной фильтрации на фильтрах с изменяемым размером ячеи, примененная в патенте ООО «Аквалид» [5][6][7]. Имеющийся Евразийский патент на изобретение отражает научно-технические преимущества в сравнении с аналогами по очистке и обеззараживанию воды за счет эффективности очистки и обеззараживания, компактности, низкой цены, простоты обслуживания.

После блоков фильтров в очищаемую воду возможна подача коагулянта в случаях высоких показателей цветности, ПО, содержания железа и пр. в исходной речной воде. Вместе с коагулянтом возможна подача ГПХН для консервации подготовленной воды. Далее обработанная вода с требуемым содержанием коагулянта и хлора поступает в накопительные емкости, где происходит аэрация воздушным барботажем накапливаемой воды с целью удаления остаточного хлора воды. После аэрации вода поступает многоступенчатым переливом в емкость отстойник для удаления микроосадка коагулянта, откуда поступает в РЧВ.

Таблица 2

Сравнение рекомендованной и примененной технологической схемы водоподготовки воды

р. Перетна до питьевого качества

Примененная технологическая схема выполнила поставленные задачи очистки исходной воды речного водоисточника до нормативных требований СанПиН 1.2.3685-21 «Гигиенические нормативы и требования к обеспечению безопасности и (или) безвредности для человека факторов среды обитания» (Таблица 3).

Таблица 3


Основные показатели качества исходной воды водоисточника

и выпускаемой установкой питьевой воды


(в июне 2025 г. данные лабораторных исследований ТО Роспотребнадзора по Окуловскому району Новгородской области)

Примененная технологическая схема водоподготовки более перспективна в использовании по сравнению с существующими сооружениями водоподготовки для очистки маломутных цветных вод так как отличается компактностью, автоматизацией, энергоэффективностью и относительно небольшим объемом используемых промывных вод и реагентов.

Литература

1.«Справочник перспективных технологий водоподготовки и очистки воды с использованием технологий, разработанных организациями оборонно-промышленного комплекса и учетом оценки риска здоровью населения» //www.minstroyrf.gov.ru

2.Борзов А.А., Локшин А.А., Локшина Е.А. Очистка маломутных высокоцветных вод сибирских рек для технологического водоснабжения // Транспорт и хранение нефтепродуктов и углеводородного сырья. 2021. № 1. С. 46–50.

3.Жулин А.Г., Сидоренко О.В., Белова Л.В., Валова М.М. К обоснованию технологической схемы станций водоочистки северной зоны Тюменского региона //Архитектура, строительство, транспорт 2021. № 4 (98). С. 26–33

4.Помогаева В.В. Комплексное использование водных объектов: учебно-методическое пособие к выполнению курсовой работы и практических занятий // В.В. Помогаева – Воронеж, ФГБОУ ВО «Воронежский государственный технический университет», 2022; ISBN 978-5-7731-1053-8

5.Установка по обеззараживанию и очистке воды с импортозамещением фильтрующих материалов / Л. М. Славин, С. А. Славина, О. В. Стопкевич-Павлова, В. Ю. Кузнецова // Наилучшие доступные технологии водоснабжения и водоотведения. – 2025. – № S1. – С. 175-181. – EDN TCIHGV.

6.Славин Л.М., Крапухин В.Б. Установка для обеззараживания и очистки воды. Патент RU 2 758 751 C1 // www.patenton.ru›patent/RU2758751C1

7.Славин, Л. М. Инновационная установка по обеззараживанию и очистке воды / Л. М. Славин // Водоочистка. Водоподготовка. Водоснабжение. - 2019. - № 9(141). - С. 66-69. EDN: TTRWCQ